YERP电子行业解决方案--三步打造数字化工厂
2020-1-8
我国是世界消费电子产业制造中心,电子信息产品包括:通信、医疗、计算机及周边视听产品、玩具、军工用品等。电子制造属知识和技术密集型行业,其制造工艺过程相对复杂,原材料及零器件品种多,来源及物料特性多样,信息化管理体系有助于企业实现创新产品设计、优化生产过程、提升产品服务等核心目标,快捷有效整合供应链数据资源,快速响应市场需求变化。
电子行业特点:
1、多数为OEM/ODM产品,工序繁多,存在包工不包料、包工供料的二种类型的委外加工。
2、产品及零件型号繁多,从研发、生产、物流有不同的物料管理需求、版本需求。
3、生产订单多品种小批量、少品种大批量共存。
4、产品存在多阶BOM,有沿工艺路线批次流转的管理。
YERP信息化管理平台的搭建:
一、基于研发创新的物料基础信息档案:孜孜不倦的追求创新和研发,我们的企业才拥有核心竞争力,才能获得持续发展的源源动力,基于产品生命周期的的信息档案是企业重要的数据资产。制造资源作为物理实体,通过系统集成,互联互通和信息融合,映射成虚拟对象,决策层针对虚拟对象的控制指令,来操纵物理实体的实际工作。

二、结构化工艺管理,主要包括:工艺BOM的结构和分类、自制零部件的工艺信息、MQCP质量控制计划信息,实现设计与工艺协同、工艺和制造协同、制造和产、销、售后协同。系统以“树-表”结构清晰表达公司设计、工艺、资源之间的关系,便于核心工艺技术的积累。


三、一体化协同平台的组建

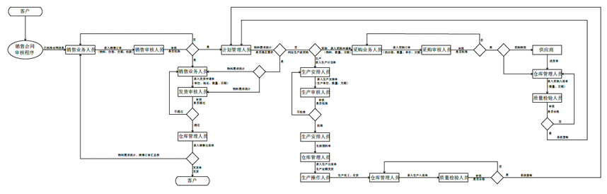
方案完成分三个阶段完成:
第一阶段:SCM供应链管理系统,实现销售、采购、生产、仓库的闭环运转。
销售管理系统:销售组织、客户管理、销售订单、发货管理、销售出库、销售对账、应收管理、开票管理。
采购管理系统:采购组织、供应商管理、采购订单、采购入库、采购对账、应付管理、收票管理。
生产管理系统:生产安排、委外管理、生产入库。


第二阶段:PMC生产计划和精益物料管控
该阶段实现对物料的精益管理,首先将现有的数据由纸质管理或电子管理(邮件、Excel等),转变为信息化管理,订单管理首先对接库存,若库存不足,则启动生产制造管理,依次形成计划BOM、采购BOM、制造BOM等,并对接企业MES系统。


第三阶段:MES生产制造执行系统
MES生产制造执行系统对前阶段的延伸,主要负责车间级的协调、跟踪,是企业实现精益制造、柔性生产必不可少的信息化手段。MES进行实时数据采集、存储和发布,并向应用系统提供生产现场的各种基础数据,控制中心实现对各环节生产和设备的可视化监控,通过数据采集和校正,建立工厂实时/历史数据库,对分布的实时/历史数据进行计算分析。

结语:
YERP通过系统集成,让企业采用一种更有效的闭环运营环境,通过精益生产智慧制造运行管理,实现从创新研发到制造执行,从业务到财务的成果展现。在现场管理中,管理人员可以进行具体化的工序作业,循序渐进得到精益的改善,利用SCM、PMC、MES进行实时数据的采集,对生产数据进行动态管理,形成一个可持续改善、稳定的决策与发展。



